| Stato di disponibilità: | |
|---|---|
Descrizione
KLDLa valvola a sfera motorizzata a 3 vie (UPVC) 100 è una valvola ad alte prestazioni progettata per una varietà di applicazioni. Realizzato in materiale UPVC, offre un'eccellente resistenza alla corrosione e garantisce un funzionamento stabile a lungo termine. Questa valvola supporta sia il funzionamento manuale che elettrico, offrendo versatilità e praticità. L'utilizzo di un motore brushless garantisce prestazioni stabili e affidabili, prolungando la durata della valvola rispetto a quelle dotate di motori a spazzole.
Le specifiche tecniche includono
Tipo di valvola: valvola a sfera motorizzata a tre vie
Dimensioni: DN15, DN20
Pressione: massimo 1.0mp (PN10)
Flusso: varia con la dimensione della valvola e l'applicazione
Temperatura media: da 0 ° C a 45 ° C
Temperatura ambiente: da -15 ° C a 45 ° C
Applicazioni
Sistema di trattamento delle acque
Risparmio idrico e altro sistema ecologico
Piccole attrezzature per il controllo automatico
Dati tecnici
Coppia nominale | Tensione nominale | Energia | Cablaggio | Tempo di esecuzione | Classe di protezione | Pressione massima | Temperatura media. |
6nm | DC24V | 24W | B2S/B3S/BD3S | 2s | Tipo IP67 o F | 1.0mp | 0-45 ℃ |
10nm/ 6nm@kt | AC/DC95-265V | 12w/ 18w@kt | B3S/BD3S/KT32S | 5s | |||
AC/DC24V | B2S/B3S /BD3S/KT32S | ||||||
DC12V | |||||||
10 nm | AC24V | 12W | B3S | 10s | |||
AC110V | |||||||
AC220V |
Diagramma dei componenti principali

Componenti principali
| NO. | Componenti | Materiale | Qty |
| 1 | Corpo | UPVC | 1 |
| 2 | Palla | UPVC | 1 |
| 3 | Sedile a sfera | Ptfe | 4 |
| 4 | Connettore del cavo | Ottone nylon/nichel | 1 |
| 5 | Alloggio | Lega PC ※ | 1 |
| 6 | Etichetta | PC | 1 |
| 7 | Finestra di indicazione | PC trasparente | 1 |
| 8 | Chiave esagonale | Acciaio per utensili | 1 |
※ Evitare il contatto diretto o indiretto tra PC e solventi organici come toluene, xilene, chetoni, diclorometano, triclorometano e cloroformio, a causa delle caratteristiche di resistenza alla corrosione dei materiali del PC.
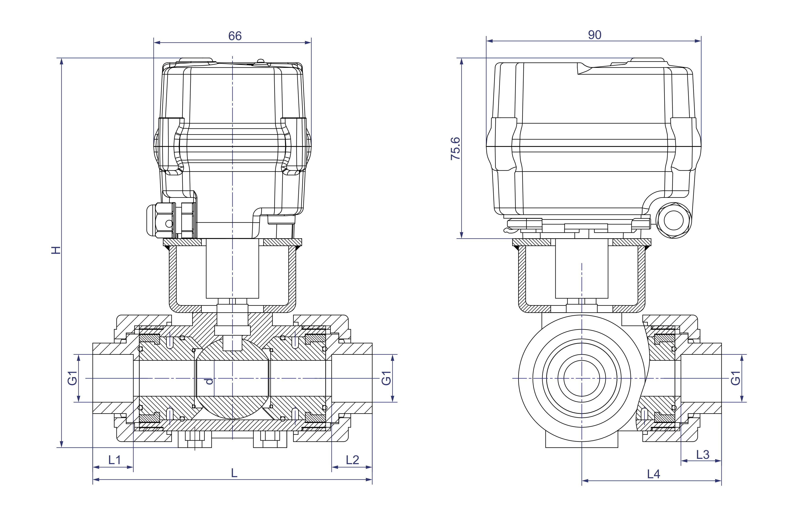
Dimensioni [DN15-DN20]

Dimensioni (mm)
DN | d | L1 = L2 = L3 | G1 | L4 | L | H | W (kg) | ||||
filo | PRESA | filo | PRESA | filo | PRESA | filo | PRESA | ||||
DN15 | 15 | 15 | 15.0 | G1/2 ' | 20 | 62.5 | 58.5 | 125 | 117 | 163.1 | 1.0 |
DN20 | 20 | 20 | 16.3 | G3/4 ' | 25 | 73.0 | 72.0 | 146 | 144 | 173.6 | 1.2 |
Direzione del flusso

Dati funzionali
| Angolo di rotazione | 90 ° ± 2 ° |
| Grado di protezione | IP67 Fy Fy [Riscaldatore deumidificante a prova di umidità, secondo il riscaldatore deumidificante] secondo Q/12NK 4404-2023 |
| Override manuale | Chiave di esagono abbinata (solo usando senza potenza) |
| Indicatore di posizione | ![]() |
Condizioni di lavoro
| Temperatura ambientale. | -15 ℃ |
| Umidità ambientale | 5-95%di RH, non condensando |
| Temperatura media. | 0-45 ℃ |
※ soggetto a modifiche tecniche
Descrizione
KLDLa valvola a sfera motorizzata a 3 vie (UPVC) 100 è una valvola ad alte prestazioni progettata per una varietà di applicazioni. Realizzato in materiale UPVC, offre un'eccellente resistenza alla corrosione e garantisce un funzionamento stabile a lungo termine. Questa valvola supporta sia il funzionamento manuale che elettrico, offrendo versatilità e praticità. L'utilizzo di un motore brushless garantisce prestazioni stabili e affidabili, prolungando la durata della valvola rispetto a quelle dotate di motori a spazzole.
Le specifiche tecniche includono
Tipo di valvola: valvola a sfera motorizzata a tre vie
Dimensioni: DN15, DN20
Pressione: massimo 1.0mp (PN10)
Flusso: varia con la dimensione della valvola e l'applicazione
Temperatura media: da 0 ° C a 45 ° C
Temperatura ambiente: da -15 ° C a 45 ° C
Applicazioni
Sistema di trattamento delle acque
Risparmio idrico e altro sistema ecologico
Piccole attrezzature per il controllo automatico
Dati tecnici
Coppia nominale | Tensione nominale | Energia | Cablaggio | Tempo di esecuzione | Classe di protezione | Pressione massima | Temperatura media. |
6nm | DC24V | 24W | B2S/B3S/BD3S | 2s | Tipo IP67 o F | 1.0mp | 0-45 ℃ |
10nm/ 6nm@kt | AC/DC95-265V | 12w/ 18w@kt | B3S/BD3S/KT32S | 5s | |||
AC/DC24V | B2S/B3S /BD3S/KT32S | ||||||
DC12V | |||||||
10 nm | AC24V | 12W | B3S | 10s | |||
AC110V | |||||||
AC220V |
Diagramma dei componenti principali

Componenti principali
| NO. | Componenti | Materiale | Qty |
| 1 | Corpo | UPVC | 1 |
| 2 | Palla | UPVC | 1 |
| 3 | Sedile a sfera | Ptfe | 4 |
| 4 | Connettore del cavo | Ottone nylon/nichel | 1 |
| 5 | Alloggio | Lega PC ※ | 1 |
| 6 | Etichetta | PC | 1 |
| 7 | Finestra di indicazione | PC trasparente | 1 |
| 8 | Chiave esagonale | Acciaio per utensili | 1 |
※ Evitare il contatto diretto o indiretto tra PC e solventi organici come toluene, xilene, chetoni, diclorometano, triclorometano e cloroformio, a causa delle caratteristiche di resistenza alla corrosione dei materiali del PC.
Dimensioni [DN15-DN20]

Dimensioni (mm)
DN | d | L1 = L2 = L3 | G1 | L4 | L | H | W (kg) | ||||
filo | PRESA | filo | PRESA | filo | PRESA | filo | PRESA | ||||
DN15 | 15 | 15 | 15.0 | G1/2 ' | 20 | 62.5 | 58.5 | 125 | 117 | 163.1 | 1.0 |
DN20 | 20 | 20 | 16.3 | G3/4 ' | 25 | 73.0 | 72.0 | 146 | 144 | 173.6 | 1.2 |
Direzione del flusso

Dati funzionali
| Angolo di rotazione | 90 ° ± 2 ° |
| Grado di protezione | IP67 Fy Fy [Riscaldatore deumidificante a prova di umidità, secondo il riscaldatore deumidificante] secondo Q/12NK 4404-2023 |
| Override manuale | Chiave di esagono abbinata (solo usando senza potenza) |
| Indicatore di posizione | ![]() |
Condizioni di lavoro
| Temperatura ambientale. | -15 ℃ |
| Umidità ambientale | 5-95%di RH, non condensando |
| Temperatura media. | 0-45 ℃ |
※ soggetto a modifiche tecniche
il contenuto è vuoto!